Informacja

Zalogowano poprawnie

Produkt został dodany do koszyka

Do Twojego koszyka została dodana wybrana ilość sztuk produktu. Podczas realizacji zamówienia będzie można ją zmienić.

Szczegółowa zawartość koszyka znajduje się u góry strony pod ikoną koszyka.

Informacja

Produkt został dodany do przechowalni
Proszę czkać ...
 

Narzędzia hydrauliczne 700 bar – dobór i oferta dla przemysłu

Dobierzemy odpowiedni sprzęt do Twojego zastosowania. Sprawdzimy kompatybilność (pompa + siłownik + osprzęt). Otrzymasz indywidualną wycenę.
Waluta

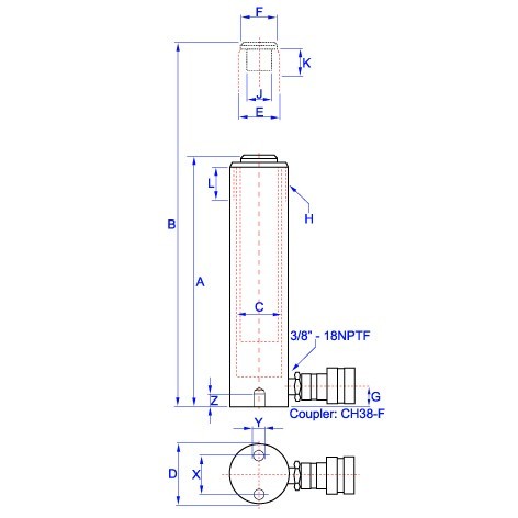
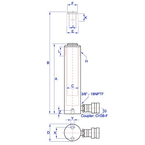
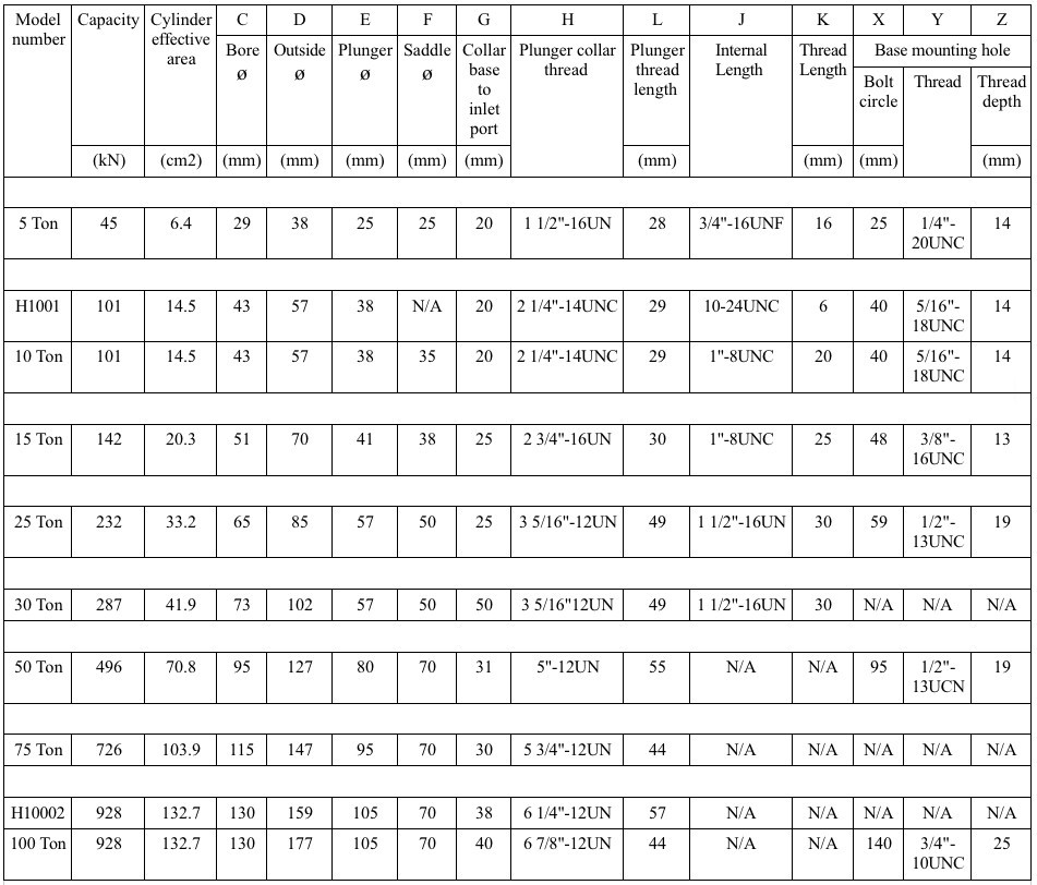
CYLINDER 10 TON H1004

Symbol: H1004 Producent: BVA Udostępnij: Facebook NK Blip GG Twitter MySpace
Cena netto:368.17
Ilość (szt.):
+
-
Skok tłoka:
102mm
Wysokość minimalna:
174mm
Objętość oleju:
147cm³

Czas realizacji zamówienia do: 14 dni


image

image

CYLINDER 10 TON H1004 CYLINDER 10 TON H1004